JD体育俱乐部反波胆

首頁 > 資訊中心 > 技術交流 >

資訊中心
服務熱線

服務熱線:027-87876585
027-87876385
移動電話:13317108516
13871149152
傳  真:027-87596225
售后服務:13628671834
E-mail:hb1000kv@163.com
聯系地址:武漢市東湖高新技術開發區關南園四路2號

及時聯系我們為您解答產品相關疑問歡迎撥打全國統一服務熱線

4000-777-650歡迎來電咨詢

聯系我們留言
提供更多資料全方位的服務方案

互感器測試儀用于各種CT的實際接線方式詳解

返回 打印
來源:儀天成電力  時間:2019/07/26  閱讀:
        各種各樣的互感器在長時間使用之后,需要定期進行性能測試,因此需要用到互感器測試儀,試驗的過程中,進行互感器的CT測試需要經常做,本文就來給大家簡單進行互感器測試儀用于各種CT的實際接線方式詳解。
        用于CT測試的基本接線步驟如下:
        (1)用4mm2線將測試儀左側的接地端子連接到保護地。
        (2)連接CT一次側的一個端子和二次側的一個端子到保護地。
        (3)確保CT的其他端子全部從輸電線上斷開,其他繞組全部開路。
        (4)用2.5mm2紅線和黑線將CT的二次側連接到測試儀“Output”S1和S2插孔,用1.2mm2黃線和黑線將CT的二次側連接到測試儀“Sec”的S1和S2插孔,注意兩根黑線連在CT二次側已接保護地的同一端子上。
        (5)用1.2mm2綠線和黑線將CT的一次側連接到測試儀的“Prim”的P1和P2端子上,P2通過黑線與CT一次側連接到保護地的那個端子相連。
        (6)檢查接線無誤,開始測試。
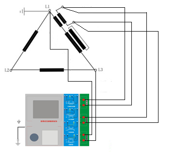
        1.測試儀在三角形接法變壓器上進行CT測試的接線方式如圖所示。
        2.測試儀進行變壓器套管CT測試時的接線方式如圖所示。
        注意:一次端子H1不能接地,否則一次側都接地了,則測試儀不能獲取正確結果。
        3.測試儀在對GIS(SF6)開關上的CT測試時的接線方式如圖所示。
        注意:斷開與母線連接的所有開關,合上接地刀閘。
        變頻式互感器測試儀和普通型互感器測試儀的接線方法,會有所區別,本文主要講解的是變頻式互感器測試儀的接線方法,電力工作者在工作中,需要根據實際情況來進行判斷接線。
 
湖北儀天成電力設備有限公司
2019年7月26日
更多技術問題請致電儀天成電力客戶服務:027-87876585,技術部專線:027-87876585,在線客服:719388481
產品中心:http://www.all-about-seashells.com/product/
售后、保修、維修服務中心:http://www.all-about-seashells.com
信息反饋     如果您有更多的問題咨詢,請留言給我們。立即留言,儀天成電力致立研發制造標準、穩定、安全的電力試驗設備。
? Link: JD Sports Global有限公司,JD亚洲国际体育反波胆,JD Sportbook Taruhanlawan | JD亚洲国际体育反波胆| JD Sports Global有限公司,JD亚洲国际体育反波胆,JD Sportbook Taruhanlawan | JD体育反波胆官网,JD亚洲国际,JD国际(反波胆)有限公司 | JD体育反波胆有限公司| JD体育反波胆投资官网,JD体育反波胆有限公司,JD反波胆俱乐部官方网站 | JD体育俱乐部反波胆,JD反波胆有限公司,JD Sports Global | JD国际体育反波胆,JD体育反波胆APP下载,JD体育反波胆投资官网 | JD体育,JD体育反波胆,JD体育俱乐部 | JD Sports Global反波胆APP下载,JD体育反波胆官网,JD反波胆俱乐部APP下载 | SBOBET体育手机登陆网址| JD体育 Sportbook Taruhanlawan| SBOBET体育手机登陆网址 | JD体育反波胆官方网站,JD体育反波胆,JD国际亚洲反波胆平台 | JD体育反波胆平台APP下载 | JD体育官网|JD Sports Global| JD体育反波胆投资官网| JD体育反波胆官网| JD俱乐部反波胆,JD体育俱乐部,JD俱乐部国际| SBOBET 体育博彩赌场|阅读我们的综合评论| 利记sbobet(app)首页登录| JD体育 Sports Global反波胆APP下载| SBOBET 体育博彩赌场|阅读我们的综合评论| SBOBET 体育博彩赌场|阅读我们的综合评论| SBOBET利记集团有限公司| 利记sbobet(app)首页登录 | JD Sportbook Taruhanlawan,JD体育反波胆官网,JD国际反波胆 | JD国际体育反波胆,JD国际(反波胆)有限公司,JD反波胆俱乐部投资官网 | JD Sports Global有限公司,JD亚洲国际体育反波胆,JD Sportbook Taruhanlawan | JD体育-JD Sports Global| JD体育反波胆平台入口,JD反波胆俱乐部APP下载,JD国际体育反波胆 JD Sports Global,JD亚洲国际体育反波胆,JD体育反波胆平台 | JD体育反波胆投资官网,JD国际(反波胆)有限公司,JD反波胆APP下载 JD体育反波胆官网,JD亚洲国际,JD国际(反波胆)有限公司 | JD体育反波胆| JD体育国际反波胆| JD体育反波胆官网,JD亚洲国际,JD国际(反波胆)有限公司 | JD体育-JD Sports Global| JD体育官网-JD Sports Global | JD体育俱乐部|JD Sports Global JD体育俱乐部|JD Sports Global | JD体育反波胆平台入口,JD反波胆俱乐部APP下载,JD国际体育反波胆 JD Sports Global,JD亚洲国际体育反波胆,JD体育反波胆平台 | JD体育反波胆俱乐部官方网站| JD Sports Global,JD亚洲国际体育反波胆,JD体育反波胆平台 |