JD体育俱乐部反波胆

首頁 > 資訊中心 > 技術交流 >

資訊中心
服務熱線

服務熱線:027-87876585
027-87876385
移動電話:13317108516
13871149152
傳  真:027-87596225
售后服務:13628671834
E-mail:hb1000kv@163.com
聯系地址:武漢市東湖高新技術開發區關南園四路2號

及時聯系我們為您解答產品相關疑問歡迎撥打全國統一服務熱線

4000-777-650歡迎來電咨詢

聯系我們留言
提供更多資料全方位的服務方案

YTC605避雷器計數器檢測儀用途以及原理概述

返回 打印
來源:儀天成電力  時間:2022/09/30  閱讀:
        在電力行業領域內,各型放電計數器是否正常動作是需要時常核查的,我司儀天成電力針對于此類檢測需求,精心研發的YTC605避雷器計數器檢測儀,其體積小、重量輕,攜帶方便,便于現場試驗,采用了新技術制造,儀器精度高,測量結果準確可靠。其主要也就是針對測試各型放電計數器是否正常動作這一方面的。以下小編和您一起來了解下其工作原理如何。

產品原理:
 
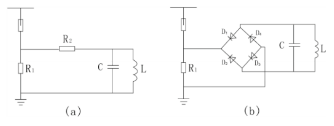
(a)JS 型;(b)JS-8
R1、R2—非線性電阻;C—貯能電容器L—記數器線圈;D1~D4—硅二極管
 
       上圖所示為 JS 型動作記數器的原理接線圖。圖 (a)為 JS 型動作記數器的基本結構,即所謂的雙閥片式結構。當避雷器動作時,放電電流流過閥片 R1,在 R1 上的壓降經閥片 R2給電容器 C 充電,然后 C 再對電磁式記數器的電感線圈 L 放電,使其轉動 1 格,記 1 次數。改變 R1 及 R2 的阻值,可使記數器具有不同的靈敏度。
        一般最小動作電流為100A(8/20μs)的沖擊電流。因 R1 上有一定的壓降,將使避雷器的殘壓有所增加,故它主要用于 40kV 以上的高壓避雷器。圖 (b)表示 JS-8 型動作記數器的結構,系整流式結構。避雷器動作時,高溫閥片R1 上的壓降經全波整流給電容器 C 充電,然后 C 再對電磁式記數器的 L 放電,使其記數。
       該記數器的閥片 R1 的阻值較小(在 10kA 時的壓降為 1.1kV),通流容量較大( 1200A 方波),最小動作電流也為 100A(8/20 s)的沖擊電流。JS-8 型記數器可用于 6.0~ 330kV 系統的避雷器,JS-8A 型記數器可用于 500kV 系統的避雷器。

通過以上概述,大家對這款YTC605避雷器計數器檢測儀應該有了一定的認知,在有需要對放電計數器檢測時,其是不錯的一個選擇。

湖北儀天成電力設備有限公司
2022年9月30日

更多技術問題請致電儀天成電力客戶服務:027-87876585,技術部專線:027-87876585,在線客服:719388481
產品中心:http://www.all-about-seashells.com/product/
售后、保修、維修服務中心:http://www.all-about-seashells.com
    推薦閱讀
    推薦產品
信息反饋     如果您有更多的問題咨詢,請留言給我們。立即留言,儀天成電力致立研發制造標準、穩定、安全的電力試驗設備。
?
Link: JD体育反波胆平台入口,JD反波胆俱乐部APP下载,JD国际体育反波胆 JD Sports Global,JD亚洲国际体育反波胆,JD体育反波胆平台 | JD体育国际反波胆| JD体育反波胆平台入口,JD反波胆俱乐部APP下载,JD国际体育反波胆 JD Sports Global,JD亚洲国际体育反波胆,JD体育反波胆平台 | JD体育俱乐部反波胆-JD反波胆平台APP下载 | JD体育反波胆俱乐部投资官网| JD体育反波胆平台入口| 利记sbobet股份有限公司| JD体育反波胆官方网站,JD体育反波胆,JD国际亚洲反波胆平台 | JD Sports Global,JD体育反波胆投资官网,JD体育反波胆平台入口 | JD俱乐部反波胆,JD体育俱乐部,JD俱乐部国际 | JD体育官网|JD Sports Global| JD体育俱乐部反波胆,JD反波胆有限公司,JD Sports Global | 利记sbobet注册登录-利记sbobet体育投注| JD俱乐部反波胆,JD体育俱乐部,JD俱乐部国际 | JD体育反波胆,JD反波胆俱乐部官方网站,JD反波胆|football lay bet | JD国际体育反波胆,JD国际(反波胆)有限公司,JD反波胆俱乐部投资官网 | JD Sports Global有限公司,JD亚洲国际体育反波胆,JD Sportbook Taruhanlawan | JD体育反波胆官方网站,JD体育反波胆,JD国际亚洲反波胆平台 | JD体育| JD Sports Global,JD亚洲国际体育反波胆,JD体育反波胆平台 | JD体育反波胆官方网站| JD体育官网-JD Sports Global| JD体育俱乐部|JD Sports Global JD体育(亚洲)有限公司|JD Sports Global | JD体育俱乐部|JD Sports Global JD体育(亚洲)有限公司|JD Sports Global | JD体育-JD Sports Global| JD体育,JD体育反波胆,JD体育俱乐部 | JD体育俱乐部反波胆| JD体育反波胆有限公司| sbobet网址-利记sbobet注册登录 利记SBOBET体育网页版注册登录 sbobet利记app手机注册 | JD体育反波胆投资官网,JD国际(反波胆)有限公司,JD反波胆APP下载 JD体育反波胆官网,JD亚洲国际,JD国际(反波胆)有限公司 | JD Sportbook Taruhanlawan,JD体育反波胆官网,JD国际反波胆 | JD体育国际反波胆| JD体育 Sportbook Taruhanlawan| JD国际体育反波胆,JD国际(反波胆)有限公司,JD反波胆俱乐部投资官网 | JD体育,JD体育反波胆,JD体育俱乐部| JD体育反波胆登录网址| JD俱乐部反波胆,JD体育俱乐部,JD俱乐部国际 | SBOBET体育登录网址| JD体育反波胆投资官网,JD体育反波胆有限公司,JD反波胆俱乐部官方网站 | JD体育反波胆官方网站| JD体育反波胆|football lay bet|